发布时间:2026-01-05
今天来盘一盘,为啥在使用ASIC方案的IC做PD认证测试时常常出现fail,你的PD认证总在“翻车”?(是不是被我说中了��)
1. 测试规范常常更新 ;
2. 易出现VBUS MOS控制时序问题 ;
3. 状态查询不及时,系统电源控制时序问题 ;
4. PD协议复杂,在芯片运行过程中对芯片误配置。
针对大家在PD认证中遇到的各种“老大难”,慧能泰带来了采用HUSB252的DRP过PD认证方案,主打一个“简单、低成本、稳过认证”,把工程师从认证苦海里捞出来!三大优势助力轻松过认证:
1.针对协议升级:可更新固件适配规范更新;
2.HUSB252采用NMOS驱动,客户接受度高,BOM成本低;
3.用户接口简单,易上手,避免客户误操作。
一句话总结:
以前过PD认证:熬夜改代码,测试靠玄学,认证看缘分。
现在用HUSB252:固件一键更,成本一路省,认证一次过!

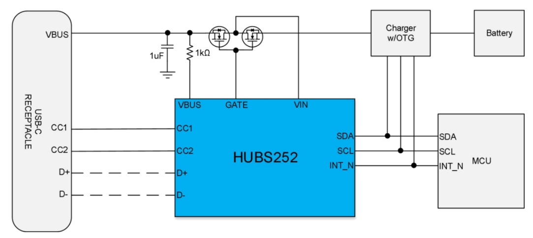
图1:HUSB252认证方案整体框图
HUSB252过认证方案的简化版,过认证可以减少用户参与,整体方案功能描述如下:
可以实现DRP功能 (Sink 5V/3A ~ 20V/5A,Source 5V/3A);
方案可实现外接供电5V后,在没有MCU参与的情况下,可完整跑完PD认证测试。
HUSB252不对系统电源进行控制,系统电源控制权交由MCU;
HUSB252可自行控制背靠背N-MOS管开关;
HUSB252作为I2C Slave可以提供一组I2C接口(SCL/SDA/INT),为MCU提供查询状态接口。
开放给用户的寄存器可以查询应用中常用信息如下:

HUSB252 Demo框图如下,不包含MCU及Charger,可外接5V供电后自动运行,并能完成PD认证测试。

图2:HUSB252 Demo框图

图3:HUSB252 Demo板